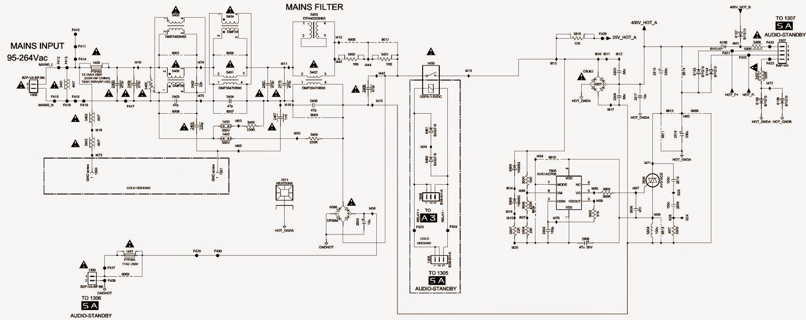
Electro help 32 INCH PHILIPS LCD TV POWER SUPPLY [SMPS] SCHEMATIC

Philips Tv Power Button. How to Change Input Source on Philips TV Without Remote Smart TV For most Samsung TVs, the power button is located on the back of the device, near the right-hand side Power on via an HDMI device: If you have connected an HDMI.

Philips Led Tv Power Supply Repair / Philips Smart Led Tv Repair
Philips Led Tv Power Supply Repair / Philips Smart Led Tv Repair from www.youtube.com

if the set turns on using the power button on the side/top of the set, there is a problem with your remote My Philips TV does not switch on with the remote control or the keys on the TV.

Philips Led Tv Power Supply Repair / Philips Smart Led Tv Repair

Ensure that the remote's batteries are functioning properly and press the power button on the remote You just need to press the power button for a few seconds Press the power button: On your TV, press the power button for 15-30 seconds to allow any residual power to discharge

TV Power Buttons Royalty Free Stock Image Image 14156686. Move closer to the set about 3 feet and make sure the remote is point toward the remote signal sensor on the set Make sure that the power cable is properly secured into the power socket of the TV and switch [ON] the TV with the [Power] switch

Philips Smart TV How to Turn Off or Sleep without Remote (Power Button. The power button on a Philips Smart TV is typically located on the bottom edge of the screen, near the center, making it easy to turn the TV on or off To change the mode from OFF to STANDBY or ON, press the POWER button on the side of the TV